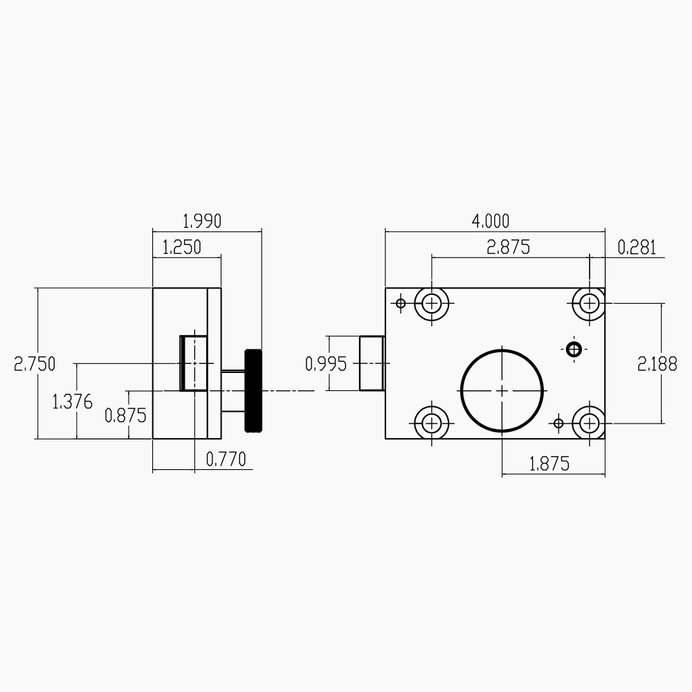
19 Mechanical Thumbturn
The 19 Series is a thumbturn latch for use in food pass, observation, locker, and other small doors where slam-locking is preferred and deadlocking is not required. Not recommended for cell doors.
Category: Mechanical Locks
Description
MECHANICAL
19 Mechanical Thumbturn
- Swing Door Lock
- Surface or Pocket Mount
- Security: Minimum/Medium
Additional Details
MECHANICAL
19 Mechanical Thumbturn
Standard Features
- 7 /16” Bolt Throw
- 1” x 7 /16” Latchbolt
- 1/4” Cold Drawn Steel Cover
- Heavy Duty Cast Case
- Corrosive Resistant Parts
- Heavy Duty Brass Tumblers
- All Zinc Plated Exterior
- Investment Cast Key Cylinder
RELATED PRODUCTS
10 Mechanical Deadbolt
20 Series Head and Foot Bolt
30 Mechanical Hookbolt
70 Mechanical Snaplock
The 70 Series Mechanical Snaplock is a swing door lock for use on cell door, corridor door, dayroom door and dormitory door applications. The 70 is also suitable for Control cabinets and storage rooms.
Operation Details
The 70 Series deadlatch is an automatic deadlock, designed for use in maximum security applications for day rooms, recreational areas, or dining rooms. It offers the convenience of slam locking.
The 70 Series operates by paracentric key, which releases the automatic deadlock and retracts the latchbolt.
85 Mechanical Deadbolt
The 85 Series Mechanical Deadbolt is a solid deadbolt designed for cell doors, corridor doors and day room doors, for use in maximum security applications. They are also suitable for access doors, storage rooms and control cabinets. The 85 Series operates by Assa key cylinder, which releases the deadlock and retracts the latchbolt.
